Slewing Bearing Without Gear
SWBTEC SLEWING BEARING
Slewing Bearing Without Gear
Gearless double flange slewing bearing is light weight and compact. Advantage: double flange installation is convenient and stable, single row of ball rolling friction is small, flexible slewing, gear-free maintenance cost is low, suitable for static load or low-speed light load scenarios. Disadvantages: no transmission function, bearing capacity is weaker than the tooth structure, poor impact resistance. Suitable for lightweight rotary table, photovoltaic tracking bracket, logistics sorting carousel and other lightweight, low friction and no transmission of precision rotary system.
Christopher ChristopherChristopherChristophe rChristopherChristopher
SLEWING BEARING parameter details


| No. | Model | Configuration Size | Mounting Size | Structural Size | weight kg | ||||||
| D | d | H | D1 | D2 | n1 | n2 | H1 | H2 | |||
| 1 | SW-414.20 | 518 | 304 | 56 | 490 | 332 | 8 | 12 | 46 | 46 | 24 |
| 2 | SW-544.20 | 648 | 434 | 56 | 620 | 462 | 10 | 14 | 46 | 46 | 31 |
| 3 | SW-644.20 | 748 | 534 | 56 | 720 | 562 | 12 | 16 | 46 | 46 | 37 |
| 4 | SW-744.20 | 848 | 634 | 56 | 820 | 662 | 12 | 16 | 46 | 46 | 42 |
| 5 | SW-844.20 | 948 | 734 | 56 | 920 | 762 | 14 | 18 | 46 | 46 | 48 |
| 6 | SW-944.20 | 1048 | 834 | 56 | 1020 | 862 | 16 | 20 | 46 | 46 | 54 |
| 7 | SW-1094.20 | 1198 | 984 | 56 | 1170 | 1012 | 16 | 20 | 46 | 46 | 62 |
WHY CHOOSE SWBTEC
From the very beginning of the selection and design and drawing quotation to shipment and after-sales service, we will have experienced technical team and sales team to track the whole process.
After about 20 years of development, SWBTEC has obvious advantages in the peer group, no matter from the quality to the price.

ISO 9001-Certified Quality Management
Our adherence to globally recognized ISO 9001 standards ensures consistent product excellence, rigorous process control, and continuous improvement across every production stage.

Rigorous Internal Quality Control
From raw material inspection to final assembly, our multi-layered quality protocols guarantee precision, durability, and compliance with industry specifications.

20 Years of Expertise in Slewing Bearing Manufacturing
Two decades of specialized experience empower us to deliver reliable, industry-tailored solutions backed by deep technical knowledge and proven performance.

Expert Engineering & Innovative Design Capabilities
Our seasoned engineers leverage cutting-edge tools and hands-on experience to create customized, high-efficiency designs for diverse operational demands.

Annual R&D Investment for Technological Advancement
Dedicated yearly funding drives slewing rings production process optimization, and next-gen slew ring solutions to stay ahead of evolving market needs.

Regularly upgraded CNC equipment and machine
Regularly updated CNC machines ensure micron-level precision, repeatable tolerances (±0.01 mm) and perfect geometrical consistency in every dimension.
Get product information and quotes.
We are ready to answer your any questions.
ABOUT SWBTEC
Precision in Rotation: Your Trusted Partner in Slewing Bearing
Established as a leading manufacturer of high-performance slewing bearings, SWBTEC has been at the forefront of innovation and reliability since our inception. With over 65% of our products exported to global markets since 2007, we have solidified our reputation as a trusted OEM supplier to major domestic and international equipment manufacturers. Our commitment to precision engineering, stringent quality control, and customer-centric solutions has positioned us as a preferred partner across industries requiring slewing bearings.
More
About Us
Precision in Rotation: Your Trusted Partner in Slewing Bearing
Established as a leading manufacturer of high-performance slewing bearings, SWBTEC has been at the forefront of innovation and reliability since our inception. With over 65% of our products exported to global markets since 2007, we have solidified our reputation as a trusted OEM supplier to major domestic and international equipment manufacturers.
Our commitment to precision engineering, stringent quality control, and customer-centric solutions has positioned us as a preferred partner across industries requiring slewing bearings.
Two Decades of Expertise, Delivering Excellence
Our journey began with a vision to redefine industry standards, driven by a team of seasoned professionals. Our technical and production leaders bring over 20 years of specialized experience in slewing bearing design and manufacturing.
Our workforce includes 70 highly skilled employees, 90% of whom possess more than 8 years of hands-on experience in CNC machining and precision engineering—ensuring each piece meets the demanding needs of diverse industries.
Advanced Manufacturing Capabilities
Our vertically integrated facility includes cutting-edge CNC machining centers and offers complete control over the entire production process:
- Precision Machining: Advanced CNC lathes and high-precision hobbing machines for micron-level gear and raceway accuracy.
- Heat Treatment Excellence: In-house induction hardening and tempering ensure resistance and durability.
- Threading Perfection: German-brand extrusion taps produce ISO-compliant threads for unmatched reliability.
With a monthly output of over 2,500 units, we combine efficiency with meticulous attention to detail.
Quality: The Foundation of Our Legacy
Quality is embedded in our DNA. Our dual-certified system includes:
- ISO 9001 Compliance: International quality management standards.
- Proprietary QC Protocols: Full-spectrum inspection: material testing, dimensional verification, load capacity validation.
We maintain near-zero customer complaints, a 99% on-time delivery rate, and 100% batch traceability for full accountability.
Global Reach, Localized Impact
SWBTEC slewing rings serve critical applications in over 9 countries:
- Construction Machinery: Slewing rings for excavators, cranes, and aerial platforms.
- Sustainable Infrastructure: Custom solutions for wastewater rotators and forestry harvesters.
- Specialized Equipment: High-precision slewing bearings for medical imaging devices.
We actively participate in major exhibitions such as Bauma Germany, CONEXPO-CON/AGG Las Vegas, and Shanghai Bauma to foster global engagement.
Driving the Future of Slewing Bearing
As industries evolve, so do we. Our R&D efforts focus on:
- Process Innovation: Custom slewing bearings with varied materials and ultra-thin complex structures.
- Cost Optimization: Lean manufacturing to reduce costs by 15% over two years—without sacrificing quality.
Why Partner With Us?
- Proven Reliability: 16 years of flawless export performance.
- Technical Agility: Custom engineering support for complex applications.
- Total Quality Commitment: “Zero Defect” shipment policy.
Join the Revolution in Slewing Bearing Technology
SWBTEC is more than a supplier—we’re your engineering ally. Whether improving existing equipment or innovating next-gen systems, our precision solutions boost your competitive edge.
Explore how our slewing bearings can transform your applications. Contact us today for technical specs or a facility audit.
Precision Engineered. Globally Trusted.
SWBTEC – Where Slewing Bearings Meet Innovation.
QUALITY / CERTIFICATES

At SWBTEC, quality is the foundation of everything we do. We have established a comprehensive quality control system that covers every stage of production — from raw material sourcing to final inspection.
Our manufacturing process strictly follows ISO 9001 quality management standards.
Our commitment to quality is not just a promise — it’s proven by certifications and trusted by customers worldwide.
Comprehensive Quality Control
Precision dimensions, controlled raceway & gear hardness/depth, optimized clearance, minimized runout
Certified for Global Applications
We also support custom quality requirements and third-party testing. No matter the industry — robotics, mining, or packaging — our products meet both international standards and client expectations.
CUSTOMER REVIEWS
★ ★ ★ ★ ★
“We’ve been sourcing slewing bearings from SWBTEC for over five years. Their products are durable, precise, and handle our heavy-duty excavators perfectly. After-sales support is also fast and professional.”
Alex Gorsky
Heavy Industry Enterprises

★ ★ ★ ★ ★
“SWBTEC’s bearings helped improve our production line stability. The consistent quality and long service life save us a lot on maintenance downtime. Truly a reliable partner!”
Gary L.
Factory Supervisor

★ ★ ★ ★ ★
“For our cranes, bearing reliability is critical. SWBTEC delivers exactly what we need—high load capacity, smooth operation, and dependable lead times. Highly recommended.”
James P.
Crane Manufacturers

APPLICATION FIELDS
Construction Industry
Excavator
SWBTEC‘s slewing bearings are used in excavator components
Slewing bearings are often used in excavators to connect structures, achieve rotation, load bearing and stability, etc.
Construction Industry
Crane
Load-bearing and structural connections
Construction Industry
Aerial Work Platform
Support and connect and bear multi-directional loads
Industrial Machinery
Packing Machine
Stable rotary table and high-precision positioning
Medical Equipment
Stable structure, precise rotation control
Forestry And Farming
Withstand heavy loads and operate in harsh environments
Water Treatment
Sedimentation tank scrapers and filters, etc.
Filling Machine
Supports rotating table or filling turntable
Mining Industry
Supports heavy loads and enables rotational motion
Precision Robot
Precisely control the rotation of robot joints
OUR SERVICES
We provide the best services for our customers for sure.
Pre-Sale Services
Our professional engineer which has rich experience in slewing bearing and seller who has rich experience in export business will provide the best advice based on your special requirement.
After-Sale Services
Any feedback of product quality will be replied within 24 hours, new one will be sent out for compensation if any quality problem happened Although the probability of occurrence is very small.
Documents Download
You can click here to download all our supporting documents, including SWBTEC product catalogs, product details, manufacturers, installation and maintenance instructions, etc.
FAQS
Our slewing bearings are widely used in excavators, cranes, aerial work platform, packing machine, Medical equipment, forestry and farming, water treatment, filling machine, Mining Industry and precision robot.
Yes, we offer custom design and manufacturing based on customer drawings or technical requirements.
For standard models, the lead time is 15–30 days. Custom products may take longer depending on specifications.
We export to countries including Germany, the USA, Japan, South Korea, Italy, Spain, and the UK, among others.
We are ISO 9001 certified and continuously improve our manufacturing and inspection processes.
Every product is tested for dimensions, hardness, gear and raceway quenching quality, and operational performance before delivery.
Yes, we provide installation manuals and can offer remote technical support if needed.
We offer warranty support. If any quality issue occurs, please contact our after-sales team for prompt assistance.
We can recommend the appropriate model based on your load, installation space, and working conditions. Custom designs based on drawings are also available.
Yes, we can provide 2D drawings, 3D CAD models, and technical documents to assist in your design and selection process.
Yes, regular lubrication and inspection are required. We provide maintenance manuals to help extend the bearing’s service life.
We accept small trial orders. The MOQ can be negotiated based on the product type.
RELATED PRODUCTS


Get a Quote
NINGGUO SWBTEC INDUSTRY CO.,LTD

Location
Ningguo Dadao, Ningguo Economic Develope Zone, Ningguo,Xuancheng,Anhui,China

sales@ngswbtec.com

+8618098501069

Make a Call
+86 5634113031

Fax
5634113031

SWBTEC SLEWING BEARING
Slewing Bearing
Without Gear
Gearless double flange slewing bearing is light weight and compact. Advantage: double flange installation is convenient and stable, single row of ball rolling friction is small, flexible slewing, gear-free maintenance cost is low, suitable for static load or low-speed light load scenarios. Disadvantages: no transmission function, bearing capacity is weaker than the tooth structure, poor impact resistance. Suitable for lightweight rotary table, photovoltaic tracking bracket, logistics sorting carousel and other lightweight, low friction and no transmission of precision rotary system.
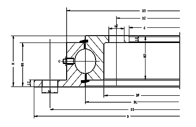
Parameter diagram
Parameter details
| No. | Model | Configuration Size | Mounting Size | Structural Size | weight kg | ||||||
| D | d | H | D1 | D2 | n1 | n2 | H1 | H2 | |||
| 1 | SW-414.20 | 518 | 304 | 56 | 490 | 332 | 8 | 12 | 46 | 46 | 24 |
| 2 | SW-544.20 | 648 | 434 | 56 | 620 | 462 | 10 | 14 | 46 | 46 | 31 |
| 3 | SW-644.20 | 748 | 534 | 56 | 720 | 562 | 12 | 16 | 46 | 46 | 37 |
| 4 | SW-744.20 | 848 | 634 | 56 | 820 | 662 | 12 | 16 | 46 | 46 | 42 |
| 5 | SW-844.20 | 948 | 734 | 56 | 920 | 762 | 14 | 18 | 46 | 46 | 48 |
| 6 | SW-944.20 | 1048 | 834 | 56 | 1020 | 862 | 16 | 20 | 46 | 46 | 54 |
| 7 | SW-1094.20 | 1198 | 984 | 56 | 1170 | 1012 | 16 | 20 | 46 | 46 | 62 |
our advantages
From the selection and design and drawing quotation to shipment and after-sales service, we will have experienced team to track the whole process.



ISO 9001-Certified Quality Management
Our adherence to globally recognized ISO 9001 standards ensures consistent product excellence, rigorous process control, and continuous improvement.
Rigorous Internal Quality Control
From raw material inspection to final assembly, our multi-layered quality protocols guarantee precision, durability, and compliance with industry specifications.
20 Years of Expertise in Slewing Bearing Manufacturing
Two decades of specialized experience empower us to deliver reliable, industry-tailored solutions backed by deep technical knowledge and proven performance.

ABOUT SWBTEC
Established as a leading manufacturer of high-performance slewing bearings, SWBTEC has been at the forefront of innovation and reliability since our inception. With over 65% of our products exported to global markets since 2007, we have solidified our reputation as a trusted OEM supplier to major domestic and international equipment manufacturers. Our commitment to precision engineering, stringent quality control, and customer-centric solutions has positioned us as a preferred partner across industries requiring slewing bearings.

ISO quality certification

Experienced Bearing mechanic

quality inspection system

focus on slewing bearings
our factory

SWBTEC operates a modern slewing bearing production base equipped with precision CNC machines, large-scale turning centers, and fully automated assembly lines. Our facilities support both standard and custom bearing solutions with high efficiency.
CERTIFICATES


Comprehensive Quality Control
All key components undergo strict inspection, including gear precision, hardness, and raceway smoothness. Advanced testing tools ensure every bearing meets our high standards before shipment.

Certified for Global Applications
We also support custom quality requirements and third-party testing. No matter the industry — robotics, mining, or packaging — our products meet both international standards and client expectations.
RELATED PRODUCTS


get in touch
Have a question or need help with a product? Let’s connect!
SWBTEC











